詳情介紹:


| 1.設計壓力:0.6 MPa | 6.期終水頭損失:1.5~1.7 m |
| 2.試驗壓力:0.75 MPa | 7.濾料:石英砂(層高800mm、卵石墊層200mm) |
| 3.運行流速:l0 m/h |
8.出水濁度: 進水≤15 mg/L出水<3 mg/L 進水≤l0 mg/L出水≤2 mg/L |
| 4.反洗強度:15 L/m2/s | |
| 5.反洗時間:5~8 min |

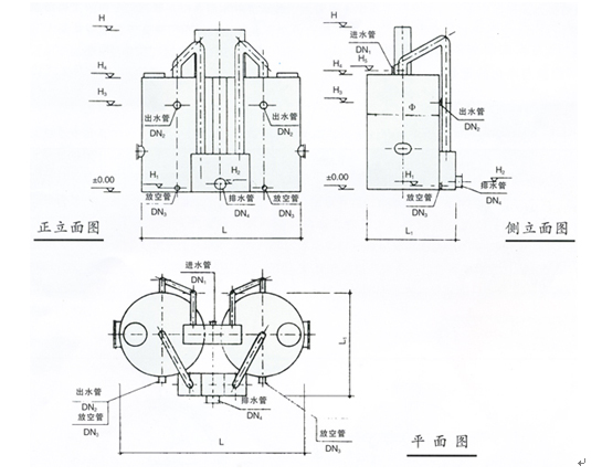
重力式無閥過濾器相關尺寸表
注:處理水量大于150M3/H時,需多格濾罐組成,可根據具體條件靈活布置。設備外形有圓形或方形可選。
外形尺寸

| 型 號 | H | H1 | H2 | H3 | H4 | H5 | L | L1 | 反沖洗流量 (L/S) |
| ?1100 | 6050 | 120 | 200 | 3600 | 4100 | 4350 | 3200 | 1680 | 15 |
| ?1300 | 6050 | 120 | 200 | 3600 | 4100 | 4350 | 3600 | 1850 | 20 |
| ?1500 | 6100 | 120 | 200 | 3600 | 4150 | 4400 | 3800 | 2060 | 30 |
| ?1800 | 6100 | 120 | 250 | 3600 | 4150 | 4400 | 4100 | 2500 | 40 |
| ?2000 | 6150 | 120 | 280 | 3600 | 4200 | 4450 | 4500 | 2680 | 50 |
| ?2200 | 6150 | 120 | 280 | 3600 | 4200 | 4450 | 4900 | 2860 | 60 |
| ?2500 | 6200 | 140 | 310 | 3600 | 4250 | 4550 | 5500 | 3180 | 80 |
| ?2800 | 6200 | 140 | 310 | 3600 | 4250 | 4550 | 6100 | 3370 | 100 |
| ?3000 | 6250 | 140 | 360 | 3700 | 4300 | 4600 | 6500 | 3530 | 120 |
注:外形尺寸為參考尺寸,具體尺寸按供貨產品為準。

使用現場

使用現場












